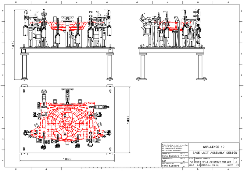
To understand the engineering specifications, we review technical blueprints,Identify the joining process and methods
, and define optimal performance standards.
As demand for automobiles rise exponentially, it is important to produce durable and error-free autobody. Our safe and reliable BIW assembly endeavors to perform the following processes.

